| |
联系我们 |
|
 |
兴化市中恒机械厂
电话:0523-83262578
电话:0523-83269516(晚)
传真:0523-83262578
网址:www.jszhjx.com
E-mail:info@jszhjx.com
地址:兴化市经济开发区西五里工业园3号 |
 |
|
|
| |
产品展示 |
|
| 液压舵机 >> 拨叉式直控液压舵机 |
 |
|
产品名称: |
拨叉式直控液压舵机 |
产品类别: |
液压舵机 |
订购热线: |
0523-83269516 13601479618 |
|
 |
| |
|
|
|
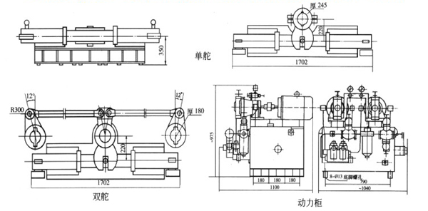
一、产品简介 本舵机采用阀控型开式液压系统和拨叉式推舵机构,具有两套完全独立的油泵电动机组,可轮流使用(也可互为备用),互换方便,与各种阀控型自动操舵仪或随动操舵仪相匹配,组成船舶操纵系统为应急操舵,并增设了声光报警系统。适用于内河及沿海各种类型船舶。 二、主要技术参数

三、推舵机构外形尺寸、安装尺寸

|
|
 |
| 点击数:940 录入时间:2012/3/2 【打印此页】 【关闭】 |
| |
 | |
|